Radio alarm clock


 



This circuit is a simple to use radio alarm clock. The radio itself is not described, only the alarm device.

The advantages of this radio alarm clock are:

- No need for backup battery, alarm times and settings are backupped in EEPROM.
- Time is automatically adjusted using DCF77 radio signals. This works only in Europe.
- Current time and alarm times are visible together, no need for switching.
- Operated using touch buttons.
- Sleep timer, snooze function and up to 2 alarm times.
- Big character display (6 x 1.5 cm) with choice of 3 different fonts.
- LCD display with backlight, automatically adjusted to the ambient light conditions.
- If you like, the alarm will not work in the weekends.
- For alarm, you have the choice of sounding a built in buzzer, operating the built in radio or operating an external device (e.g. cd player, tv etc.).

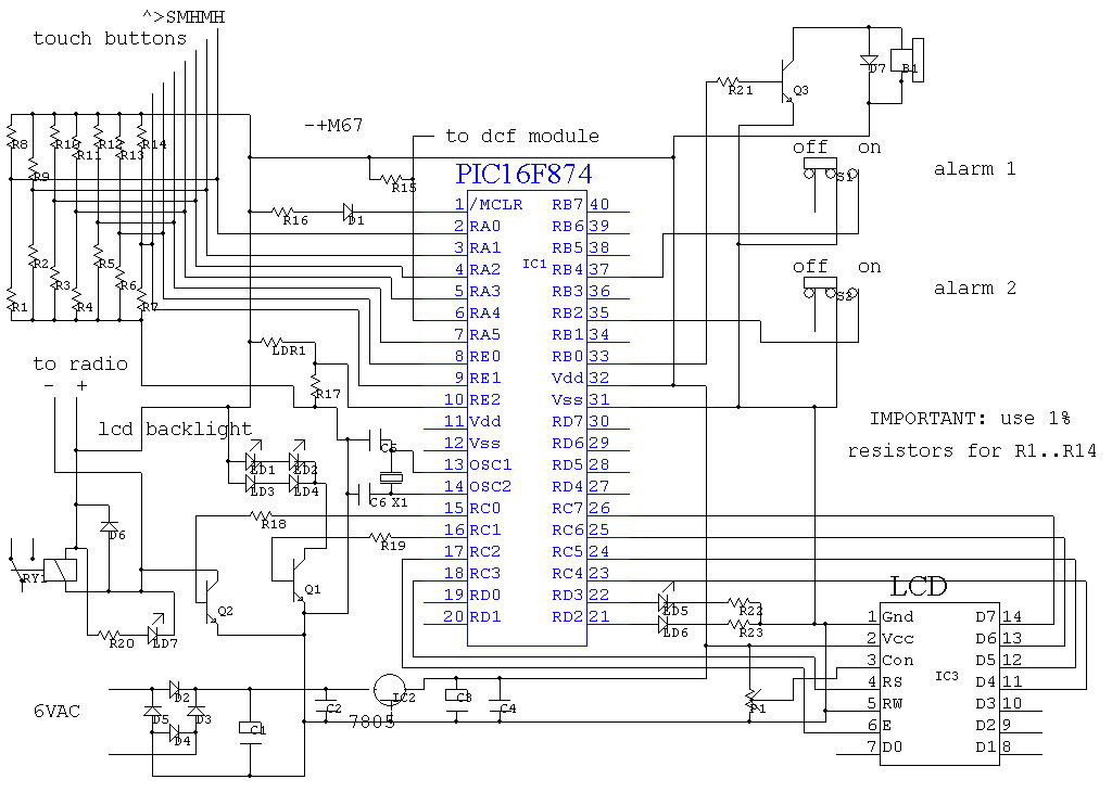
The program makes use of the built-in AD converter of the PIC16F874 for sensing the touch buttons. The PIC has 8 AD ports, seven are used for the 7 touch-buttons, 1 is used for the light measurement. In order to receive DCF signals, you have to add a DCF module (e.g. Conrad nr. 641138 - 89) which will provide a digital TTL level DCF signal which is than interpreted by the software to automatically adjust the time. If you use the Conrad module, pin 1 of this module goes to ground, pin 2 to +5VDC and pin 3 (DCF-out) to pin 6 of the PIC.
For the LCD display, a standard Hitachi 44780 compatible LCD module can be used, as long as it has 20 x 4 characters and LED backlight.
The backlight of the LCD can be dimmed either manually or automatically, proportional to the ambient light. This is done using an LDR as a light sensor and the PWM capability of the microprocessor.


Schematic diagram of the radio alarm clock


List of components

Circuit explanation:


The LCD display is connected to PORTC. An LDR/resistor voltage dividor serves as a light sensor, which adjusts the background lighting of the LCD according to the ambient light if desired. Note the simple construction of the touch buttons: the user's finger must touch the middle of a voltage divider connected to the analog ports, which causes slight fluctuations in voltage. The software will then decide if a button is touched or not.
Not shown on the diagram: the connections of the relay to the external device (cd player etc.) and the power supply transformer. Just do this the way you want.


Source code for this project


Features/short user manual (PDF file)



Pseudo code (Word 2000 document)


Picture's

Picture of the device opened up.

The device not finished yet, radio already mounted, some other parts swinging around.

Picture of the device opened up, second stage.

In the second stage: some buttons, touch-buttons and display are now there.

Picture of the finished device.

The finished device. The touch-buttons are just plain old 'thumbnails' and other peaces of metal.

  Home         Back to Electronic Projects